WAŻNE
TERAZ

Urban jak czarodziej. Litwa zdobyta!

Układy zawieszenia w samochodach osobowych

Współczesne pojazdy poruszają się obecnie po bardzo różnych drogach. O niektórych z nich można powiedzieć, że nie ma miejsca, do którego by nie dotarły. Inne znowu nigdy nie zbaczają z utwardzonych nawierzchni, ale w każdym przypadku w każdym z tych pojazdów niezbędny jest układ zawieszenia, który zapewni odpowiedni kontakt koła z podłożem oraz względny komfort jazdy pasażerów.

Zawieszenie samochodu marki MercedesZawieszenie samochodu marki Mercedes
Szymon Witkowski

Współczesne pojazdy poruszają się obecnie po bardzo różnych drogach. O niektórych z nich można powiedzieć, że nie ma miejsca, do którego by nie dotarły. Inne znowu nigdy nie zbaczają z utwardzonych nawierzchni, ale w każdym przypadku w każdym z tych pojazdów niezbędny jest układ zawieszenia, który zapewni odpowiedni kontakt koła z podłożem oraz względny komfort jazdy pasażerów.

Obecnie zawieszeniom pojazdów stawia się wiele wymagań, które muszą uwzględniać różne warunki jazdy (pod obciążeniem – bez obciążenia, przyspieszenie – hamowanie, ruch prostoliniowy – krzywoliniowy itd.). Niestety nie jest możliwym stworzenie jednego, idealnego rozwiązania i dlatego każde z nich jest możliwie najlepszym kompromisem, odpowiednim dla danego typu pojazdu. Istnieje tak wiele rozwiązań konstrukcyjnych, że nie sposób opisać ich nawet w jednej książce, a co dopiero w artykule, który zaczynacie czytać.

Mimo wszystko przez lata zostało wypracowanych kilka głównych rodzajów układów zawieszenia, które postaram się Wam przybliżyć. Nie jestem w stanie uwzględnić wszystkich niuansów, jakie występują w poszczególnych typach zawieszeń, ale na podstawie zebranych materiałów i przeczytanych lektur, spróbuję zebrać w tym artykule te najważniejsze, z którymi spotykamy się na co dzień.

Zdjęcie ilustracyjne do artykułu

Większość istniejących układów zawieszenia można podzielić na dwie, główne grupy: zależnych i niezależnych.

W zawieszeniach zależnych koła danej osi są połączone ze sobą na sztywno. Obudowa mostu porusza się wraz z kołami, co wymusza zapewnienie odpowiedniej ilości miejsca na pionowe przemieszczenia, a to wiąże się ze zmniejszoną przestrzenią bagażową. W przypadku kół przednich, wymagałoby to podniesienie silnika do góry. Dlatego też takie rozwiązanie znajdziemy najczęściej w samochodach ciężarowych, bądź terenowych.

Pomimo wielu wad, mają też istotne zalety jak zmniejszenie mas nieresorowanych samochodu, korzystniejsza pod względem stateczności ruchu kinematyka zawieszenia, możliwość stosowania bardzo miękkich elementów sprężystych.

Zawieszenie niezależne natomiast charakteryzuje się tym, że każde z kół pojazdu przemieszcza się niezależnie jedno od drugiego. W przeciwieństwie do zawieszeń zależnych, mają one zwiększoną liczbę elementów prowadzących koła (drążki, wahacze) i są szeroko stosowane w samochodach osobowych.

Można wyróżnić jeszcze trzeci typ zawieszeń – półzależnych, które stanowią połączenie obu wymienionych powyżej. Zaliczamy do nich m.in. zawieszenia ze sprzężonymi wahaczami wzdłużnymi (połączone wahacze wleczone), gdzie głównym elementem budowy jest belka skrętna.

Zdjęcie ilustracyjne do artykułu

ZAWIESZENIA NIEZALEŻNE:

Z podwójnymi wahaczami poprzecznymi i sprężynami śrubowymi.

Składa się ono przede wszystkim z dwóch wahaczy poprzecznych po każdej stronie pojazdu. Ten typ zawieszenia bardzo dobrze przeciwdziała przechyłom karoserii na boki. Wahacze poprzeczne mocowane są do ramy (ewentualnie ramy pomocniczej) lub nadwozia. Ich zewnętrzne końce są połączone ze zwrotnicą zazwyczaj przez przegub kulowy.

Zasadniczą wartością w takim układzie jest efektywna odległość pomiędzy wahaczami. Im większa, tym mniejsze będą siły w przegubach, a co za tym idzie zmniejszy się także podatność tych elementów na odkształcenie, a poprawie ulegnie prowadzenie kół. Dobierając odpowiednio długość górnego i dolnego wahacza, możemy wpływać na przemieszczenia kątowe kół podczas ich ruchu pionowego. Przy krótszym wahaczu górnym koło dociążone uzyskuje ujemny kąt pochylenia, a odciążone odpowiednio dodatni. W ten sposób można przeciwdziałać zmianom kątów pochylenia kół, wywołanych poprzecznymi przechyłami nadwozia.

Przednie zawieszenie samochodów dostawczych VW LT 28 do 35
Przednie zawieszenie samochodów dostawczych VW LT 28 do 35

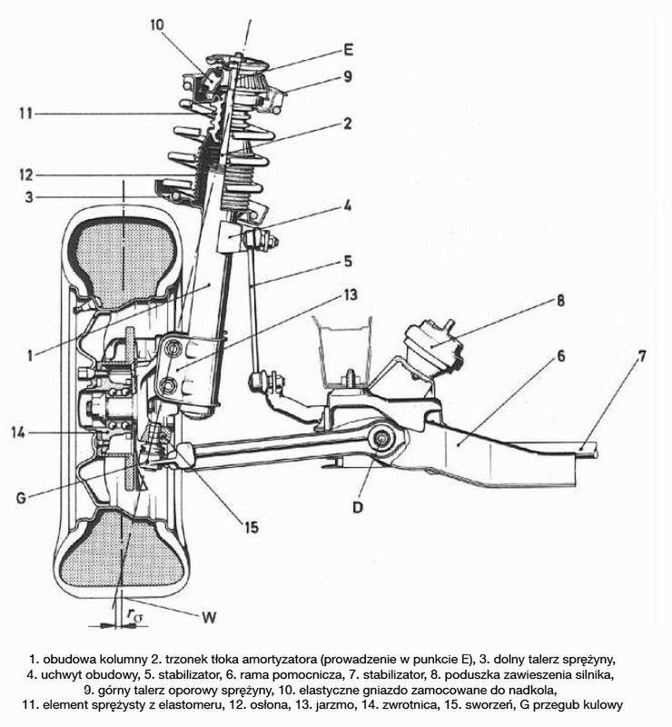
Z kolumnami prowadzącymi.

Stanowi ono swoiste rozwinięcie zawieszenia z podwójnymi wahaczami poprzecznymi. Górny wahacz został zastąpiony przez punkt podparcia w nadkolu, gdzie znajdują się zakończenia tłoczyska amortyzatora i sprężyny.

Najpopularniejszym obecnie stosowanym tego typu zawieszeniem jest kolumna McPhersona. Dzięki jej budowie, jeden spójny zespół elementów odpowiada za resorowanie, tłumienie i prowadzenie koła. Amortyzator umiejscowiony przeważnie współosiowo wewnątrz sprężyny, pełni tu funkcję tłumiącą i jest elementem prowadzącym, gdzie jego dolna część przymocowana jest do górnego punktu zwrotnicy. Stanowi jej połączenie z karoserią samochodu przy jednoczesnej możliwości obrotu wokół własnej osi. Dolna część sprężyny podparta jest przez dolny talerz oporowy. Dolna część zwrotnicy jest połączona z wahaczem poprzecznym.

Kolumna McPhersona
Kolumna McPhersona

Zalety zawieszenia kolumnowego typu McPherson:

  • zwarta i prosta budowa nie zajmująca wiele miejsca, które przeznacza się na przestrzeń bagażową bądź komorę silnika
  • mniejsza masa w stosunku do zawieszenia z podwójnymi wahaczami poprzecznymi
  • tańsze w produkcji i nieskomplikowane kinematycznie
  • duży skok zawieszenia

Wady:

  • przenoszenie hałasu i drgań na karoserię, pochodzących z układu kierowniczego
  • niekorzystne tarcie występujące w gnieździe tłoczyska amortyzatora (spowodowane obrotem wokół własnej osi)
  • konieczność stosowania w amortyzatorze tłoczyska o dużej średnicy (ok. 20 mm)

Tylne z wahaczami wzdłużnymi.

Jest to stosunkowo proste konstrukcyjnie zawieszenie z dwoma wahaczami wzdłużnymi, po jednym z każdej strony samochodu. Zamocowane zgodnie z kierunkiem ruchu, obrotowo do ramy pomocniczej lub nadwozia, przenoszą siły we wszystkich kierunkach. Są przez to narażone na zginanie i skręcanie. Dzięki swojej budowie, stosowane jest w samochodach z napędem na przednią oś. Umożliwia ono płaskie poprowadzenie podłogi i wygospodarowanie dodatkowej przestrzeni.

Kolejną zaletą tego typu zawieszenia przy przemieszczeniach pionowych kół, jeśli osie obrotu wahaczy są równoległe do nawierzchni, jest brak zmiany rozstawu kół ani kątów pochylenia i zbieżności. Nieznacznej zmianie ulega jedynie rozstaw osi.

Wadami są natomiast wywoływane siłami bocznymi odkształcenia wahaczy, co powoduje nadsterowność auta. Podczas jazdy na zakręcie, koła pochylają się w tą samą stronę.

Zawieszenie samochodu Mercedes klasy A (1997)
Zawieszenie samochodu Mercedes klasy A (1997)

Tylne z wahaczami skośnymi.

Zawieszenie Mercedesa Vito
Zawieszenie Mercedesa Vito

Konstrukcyjnie ten typ zawieszenia jest właściwie taki sam jak z wahaczami wzdłużnymi. Różnica polega na zastosowanym wahaczu, dzięki któremu możliwe było zaadoptowanie takiego układu do samochodów z napędem na tylne, bądź wszystkie koła, co oczywiście nie wyklucza używania go w pojazdach z napędem na przednią oś.

Co do działania, to w tym przypadku koła wykonują ruchy przestrzenne. Niezbędne było więc zastosowanie dwóch przegubów na każdą z półosi napędowych, które umożliwiają przemieszczenia kątowe oraz kompensację przemieszczeń osiowych.

Przeguby równobieżne z kompensacją zmian długości
Przeguby równobieżne z kompensacją zmian długości

Wielowahaczowe.

Nazywane też wielodrążkowym. Polega na zastosowaniu kombinacji wahaczy wzdłużnych, poprzecznych, skośnych i drążków. Co prawda każdy producent stosuje swoje rozwiązania, ale często spotykanym układem jest zastosowanie dolnego wahacza wzdłużnego i dwóch drążków poprzecznych. Do dolnego zamocowany jest amortyzator wraz ze sprężyną. Ma to zapewnić jak najmniejsze zmiany kątów zbieżności i pochylenia pod wpływem zmian obciążenia pojazdu i jego ruchu.

Mimo zwiększonej masy nieresorowanej, zawieszenie wielowahaczowe stosuje się zarówno na osi przedniej jak i tylnej, choć ze względu na koszty, z tyłu ma to miejsce rzadziej. Jednak dzięki niezaprzeczalnym zaletom zawieszenia niezależnego, tego typu układy na tylnej osi można znaleźć już w samochodach klasy średniej. Powoli odchodzi się od półzależnej, prymitywnej belki skrętnej.

Zawieszenie samochodu BMW serii 5 (E39)
Zawieszenie samochodu BMW serii 5 (E39)

Zaletami zawieszenia wielowahaczowego są:

  • możliwość uzyskania dowolnych i niezależnych od siebie promieni zataczania kół
  • możliwość uzyskania znacznej kompensacji przechyłów wzdłużnych podczas hamowania i przyspieszania
  • dzięki korzystnej budowie siły od kół mogą być bezpośrednio (bez niekorzystnych przełożeń) wprowadzane w nadwozie, z zachowaniem dużych odległości między punktami mocowania
  • możliwość uzyskania korzystnych kątów zbieżności i pochylenia kół w zależności od ugięcia zawieszenia, co bezpośrednio wpływa na kierowalność

Wady:

  • dosyć skomplikowana konstrukcja
  • większe koszty produkcji oraz naprawy
  • większa wrażliwość na zużycie przegubów i pozostałych elementów
  • wysokie wymagania dotyczące zachowania tolerancji wymiarów i sztywności

ZAWIESZENIA ZALEŻNE:

Zawieszenia zależne ze sztywną osią mają wiele wad, które są w dzisiejszych czasach nie do przyjęcia w samochodach osobowych, jednak w przypadku samochodów ciężarowych można je zaakceptować. Spotyka się je także w autach terenowych. Dzięki rozwojowi konstrukcji i elementów sprężystych oraz tłumiących, wiele z poważnych mankamentów zawieszenia zależnego zostało wyeliminowanych, bądź znacznie poprawionych. Głównymi wadami takiego rozwiązania są:

  • wzajemne oddziaływanie na siebie kół danej osi
  • duża masa w przypadku znajdowania się na osi głównej przekładni
  • wymagana duża ilość miejsca dla ruchu pionowego osi

Podczas pokonywania falistej nawierzchni, zwłaszcza poprzecznych nierówności, występują wzdłużne drgania kątowe, wynikające głównie z dużej masy osi. Jest to najważniejsza wada tego zawieszenia, którą producenci rozwiązują poprzez zastosowanie jednorurowych wysokociśnieniowych amortyzatorów. Co prawda zwiększa to koszt całej konstrukcji, ale jest to najprawdopodobniej najbardziej ekonomiczne rozwiązanie przy znacznej poprawie komfortu.

Kolejną kwestią do rozwiązania podczas projektowania takiego zawieszenia, jest rozmieszczenie punktów mocowania ramion stabilizatora oraz amortyzatorów. Powinny być one umiejscowione możliwie jak najszerzej. Im bliżej kół, tym lepiej. Zmniejsza to bowiem podatność zawieszenia na przechyły poprzeczne.

Zawieszenie samochodu dostawczego VW LT
Zawieszenie samochodu dostawczego VW LT

Sposobów mocowania sztywnej osi do ramy bądź nadwozia jest wiele. Najczęściej jako elementy resorujące i jednocześnie prowadzące stosuje się resory piórowe. Mają one bowiem możliwość przenoszenia sił we wszystkich trzech kierunkach, a także momentów reakcyjnych od przyspieszania i hamowania. Jest to tanie rozwiązanie, które charakteryzuje się dodatkową zaletą w przypadku aut ciężarowych, czy mocno obciążonych samochodów osobowych. Przestrzeń załadunkowa może być podparta w dwóch punktach: na wysokości tylnych siedzeń i bagażnika. Cała tylna część nadwozia jest zatem korzystniej obciążona.

Zawieszenie Forda Escorta Express
Zawieszenie Forda Escorta Express

ZAWIESZENIA PÓŁZALEŻNE Z WAHACZAMI SPRZĘŻONYMI:

Ten pomysł został wprowadzony w latach siedemdziesiątych, jako nowa konstrukcja zawieszenia dla tylnej osi. W samochodach klasy średniej i niższej z napędzaną przednią osią stosowany jest do dzisiaj. Budowa przeważnie nie jest skomplikowana. W skład wchodzą dwa wahacze wzdłużne, które są przyspawane do łączącej ich belki poprzecznej. Do nadwozia wahacze są zamocowane za pośrednictwem dużych przegubów elastycznych.

Poprzeczna belka, inaczej niż w typowym zawieszeniu zależnym, znajduje się przed osią kół i przejmuje wszystkie momenty od sił pionowych i bocznych. Aby umożliwić wahaczom ruchy kątowe względem siebie, belka musi być podatna na odkształcenia we wszystkich kierunkach, a zwłaszcza na siły skręcające. Stąd też wzięła się potoczna nazwa tego układu – zawieszenie z belką skrętną. Spełnia ona także rolę stabilizatora. W skład wchodzą oczywiście także amortyzatory oraz sprężyny przymocowane do wahaczy. W samochodach średniej klasy, stosuje się czasem jeszcze dodatkowy stabilizator montowany wzdłuż belki poprzecznej.

Belka skrętna
Belka skrętna

Pomimo swojej prostoty, rozwiązanie to jest nadal szeroko stosowane dzięki wielu jego zaletom:

  • zwartość konstrukcji
  • łatwy montaż i demontaż całego zawieszenia
  • łatwe mocowanie kolumn sprężysto-tłumiących
  • mała liczba elementów składowych poprzez wyeliminowanie drążków skrętnych (w większości przypadków)
  • niewielki ciężar, a tym samym małe masy nieresorowane
  • belka skrętna pełniąca także rolę stabilizatora
  • niewielkie zmiany kątów pochylenia kół pod działaniem sił bocznych
  • tanie w produkcji i eksploatacji
Zawieszenie samochodu Audi A6 (1997)
Zawieszenie samochodu Audi A6 (1997)

Do wad natomiast należy zaliczyć:

  • duże naprężenia skrętne i tnące w belce poprzecznej, a przez to duże obciążenia spawów
  • ograniczone wytrzymałością połączeń spawanych obciążenie tylnej osi
  • wzajemne oddziaływanie na siebie ruchów kół
  • słaba izolacja nadwozia od drgań i hałasu wynikającego z nierówności nawierzchni
  • duże wymagania co do wytrzymałości punktów mocowania wahaczy do nadwozia, gdzie występują duże siły działające w różnych kierunkach, wynikające z pracy zawieszenia

Tak jak napisałem na samym początku, jest to przekrój przez najczęściej spotykane typy układów zawieszeń. Nie uwzględniłem niestety w tym artykule m.in. zawieszeń pneumatycznych, czy takich rozwiązań jak układy typu Hydrolastic, Moulton. Większość odmiennych rozwiązań opiera się na zaprezentowanych schematach i polega na zastępowaniu bądź dodawaniu elementów tłumiących i sprężystych w różnej postaci, jak na przykład właśnie poduszki pneumatyczne. Nie rzadko zmieniane są też miejsca mocowania tych elementów w celu jak najbardziej korzystnego rozkładu sił działających na cały układ lub nadwozie.

Źródło: "Podwozia samochodów - Podstawy konstrukcji" Jörnsen Reimpell, Jürgen Betzler

Źródło artykułu: WP Autokult

Wybrane dla Ciebie

BMW oddaje hołd historycznemu 2002 turbo. Oto M2 Turbo Design Edition
BMW oddaje hołd historycznemu 2002 turbo. Oto M2 Turbo Design Edition
Pierwsza jazda: Tak jeździ 1000 KM po torze i... w terenie! Na prawym fotelu w elektrycznym Porsche Cayenne
Pierwsza jazda: Tak jeździ 1000 KM po torze i... w terenie! Na prawym fotelu w elektrycznym Porsche Cayenne
Felerna autostrada będzie jak nowa. GDDKiA ogłosiła przetarg
Felerna autostrada będzie jak nowa. GDDKiA ogłosiła przetarg
Najsłynniejsza Mazda w Polsce na sprzedaż. Hanka z "M jak Miłość" wjechała nią w kartony
Najsłynniejsza Mazda w Polsce na sprzedaż. Hanka z "M jak Miłość" wjechała nią w kartony
Niemal każdy miał taki gadżet w PRL. Teraz przedmiot może wrócić do łask
Niemal każdy miał taki gadżet w PRL. Teraz przedmiot może wrócić do łask
Te silniki lepiej omijaj. Francuzi się nie popisali
Te silniki lepiej omijaj. Francuzi się nie popisali
Test opon zimowych 2025 GTÜ. Zaskoczenie na dole stawki
Test opon zimowych 2025 GTÜ. Zaskoczenie na dole stawki
Kierunkowskaz na skrzyżowaniu łamanym. Kierowcy często się gubią
Kierunkowskaz na skrzyżowaniu łamanym. Kierowcy często się gubią
Warszawa pod lupą. Sprawdzą skuteczność strefy czystego transportu
Warszawa pod lupą. Sprawdzą skuteczność strefy czystego transportu
Tyle zapłacimy za paliwo w przyszłym tygodniu. Są prognozy
Tyle zapłacimy za paliwo w przyszłym tygodniu. Są prognozy
Pierwsza jazda: Nowe Subaru Uncharted i odświeżona Solterra – przyszłość marki w Europie
Pierwsza jazda: Nowe Subaru Uncharted i odświeżona Solterra – przyszłość marki w Europie
Aston Martin DB12 S. Kiedy wiele to wciąż za mało
Aston Martin DB12 S. Kiedy wiele to wciąż za mało