Manualna skrzynia biegów – budowa i działanie

W nowych samochodach stosowane są coraz mocniejsze jednostki napędowe. Generowana moc oraz moment obrotowy dochodzą czasem do monstrualnych wartości. Żeby było możliwe wykorzystanie potencjału auta na drodze, a nie tylko posiadanie wszystkich koni mechanicznych na papierze, potrzebne jest odpowiednie przeniesienie napędu.

Drążek zmiany biegów w manualnej skrzyni biegówDrążek zmiany biegów w manualnej skrzyni biegów
Maciej Gis

Rodzaje i zastosowanie

• automatyczne stopniowe,

• półautomatyczne stopniowe,

• bezstopniowe,

• manualne.

Niezależnie od rodzaju skrzyni jej zadaniem jest efektywne wykorzystanie mocy silnika. Jak wiadomo, większość jednostek napędowych ma ograniczony zakres prędkości obrotowej. Przeważnie wynosi on od 0 do 7000 obr./min w przypadku ZI oraz do 5000 obr./min w ZS. Gdyby nie było skrzyń biegów, jazda samochodem byłaby utrudniona, a podjechanie pod wzniesienie mogłoby okazać się nie lada wyzwaniem. Dzięki zmiennym przełożeniom w skrzyni biegów możliwe jest utrzymanie optymalnej prędkości obrotowej silnika w zależności od chwilowego obciążenia i prędkości jazdy.

Manualna skrzynia biegów w Porsche
Manualna skrzynia biegów w Porsche

Kolejnym zadaniem skrzyni biegów jest umożliwienie zmiany kierunku przekazywania napędu. Innymi słowy, chodzi o bieg wsteczny. Dzięki zastosowaniu dodatkowej przekładni złożonej z trzech kół zębatych (jedno z nich jest przesuwne) pojazdy mogą poruszać się do tyłu. Bez tego rozwiązania parkowanie byłoby w wielu przypadkach niemożliwe.

Wymagania stawiane skrzyniom biegów

Skrzynie biegów muszą spełniać określone wymagania. Priorytety to niezawodność i żywotność skrzyni. Jest to bardzo istotne, żeby przyszły nabywca samochodu nie musiał po przejechaniu 100 tysięcy kilometrów wymieniać przekładni. Niezawodność tego podzespołu jest w dużej mierze uwarunkowana wytrzymałością kół zębatych oraz odpowiednim doborem łożysk tocznych. Ze względu na trwałość przy większych obciążeniach najczęściej stosuje się łożyska stożkowe. Popularne są również łożyska wałeczkowe - ich parametry wytrzymałościowe są tylko nieznacznie gorsze. Najmniej wytrzymałe są łożyska kulkowe.

Skrzynia biegów ze zdjętą obudową
Skrzynia biegów ze zdjętą obudową

W starszych konstrukcjach skrzyń biegów – kłowych – używano przesuwnych kół zębatych o zębach prostych. Ze względu na brak synchronizatorów niewprawiony kierowca miał problemy przy zmianie biegów. Przełączanie ich musiało odbywać się przy dobrym wysprzęglaniu oraz odpowiednim przedziale prędkości obrotowej. Obecnie skrzynie biegów wyposażone są w synchronizatory oraz stale zazębione koła o zębach skośnych. Takie rozwiązanie niesie ze sobą sporo zalet. Można do nich zaliczyć możliwość przeniesienia większych obciążeń, zmniejszenie generowanego hałasu podczas pracy czy zwiększenie trwałości.

Cichobieżność skrzyni biegów jest kolejnym stawianym wymaganiem. Jest to ważne choćby ze względu na konieczność spełnienia przez pojazd norm dotyczących generowanego hałasu.

Konstruktorzy muszą też pamiętać o przyszłych użytkownikach. W związku z tym konieczne jest łatwe przełączanie biegów. Żeby było to możliwe, trzeba wyrównać prędkość obrotową łączonych podzespołów. W tym celu stosuje się synchronizatory. Ich zadaniem jest samoczynne zrównoważenie prędkości elementu pracującego z elementem załączanym. Proces ten odbywa się bez jakiejkolwiek ingerencji kierowcy.

Schemat konstrukcji skrzyni biegów starczego typu
Schemat konstrukcji skrzyni biegów starczego typu

We współczesnych pojazdach ważna jest jak najmniejsza masa własna. Dlatego też zwięzła i lekka konstrukcja skrzyni biegów jest bardzo istotna. Dodatkowo jej ergonomia pozwala wykorzystać zaoszczędzone miejsce na przykład na powiększenie kabiny pasażerskiej.

Ważny jest też dobór przełożeń. Większa rozpiętość pozwala lepiej wykorzystać efektywny zakres prędkości obrotowej silnika pojazdu. Atutem w tym przypadku jest rzadsza konieczność zmiany biegów przez kierowcę.

Budowa i działanie manualnej skrzyni biegów

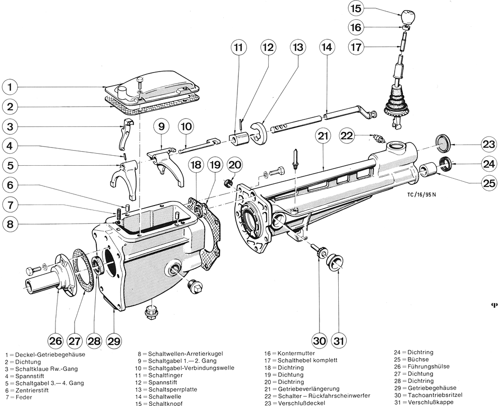
W obudowie manualnej skrzyni biegów umieszczone są wałki: sprzęgłowy, pośredni i główny. Koło zębate osadzone na wałku sprzęgłowym przekazuje napęd na koło zębate wałka pośredniego. Na nim oraz na wałku głównym umieszczone są pary kół, które odpowiadają konkretnym biegom. Koła zębate są osadzone obrotowo i sprzęgnięte ze sobą za pośrednictwem sprzęgieł cierno-zębatych, inaczej nazywanych synchronizatorami. Włączenie danego biegu powoduje rozłączenie pozostałych kół zębatych.

Bieg bezpośredni albo nadbieg

W manualnych skrzyniach biegów stosowany jest nadbieg albo przełożenie bezpośrednie. W drugim przypadku wałek główny jest bezpośrednio połączony z wałkiem sprzęgłowym. Ich prędkości obrotowe są takie same, a przełożenie biegu bezpośredniego wynosi 1:1.

Ze względu na ekonomię stosuje się nadbieg. Jest to takie przełożenie, w którym prędkość wałka głównego jest większa od prędkości obrotowej wałka sprzęgłowego. W takim przypadku przełożenie wynosi poniżej jedności, na przykład i=0,98.

Zasada działania synchronizatora
Zasada działania synchronizatora © fot. zssplus.pl

Eksploatacja manualnej skrzyni biegów

Manualne skrzynie biegów są smarowane olejem. Stosuje się do nich inny płyn niż do silników. Większość producentów twierdzi, że nie wymienia się oleju smarującego w skrzyni, jednak powinno się to robić mniej więcej co 100 tysięcy kilometrów.

Manualne skrzynie biegów są znane z trwałości, ale nie powinno się doprowadzać do ich przegrzania. W związku z tym niewskazana jest jazda na wysokich obrotach przez dłuższy czas. W większych pojazdach można spotkać się z osobną chłodnicą obsługującą jedynie skrzynię biegów. Doprowadzenie do przegrzania znacznie skraca żywotność elementów w niej zastosowanych (na przykład łożysk).

Manualna skrzynia biegów
Manualna skrzynia biegów © fot. motorera.com

W samochodach występuje też problem zmiany biegu na wyższy, jeżeli dociągniemy do czerwonego pola prędkość obrotową silnika. Wynika to z tego, że nie nadąża synchronizator. W takiej sytuacji trzeba nieco zmniejszyć obroty.

Źródło artykułu: WP Autokult
Wybrane dla Ciebie
Polonez ze znikomym przebiegiem na sprzedaż. Cena? Lepiej usiądź
Polonez ze znikomym przebiegiem na sprzedaż. Cena? Lepiej usiądź
Niemcy nie rezygnują z dużych diesli. Uwielbiany silnik wraca do oferty
Niemcy nie rezygnują z dużych diesli. Uwielbiany silnik wraca do oferty
Renault Espace V (2015-2023) – opinie i typowe usterki
Renault Espace V (2015-2023) – opinie i typowe usterki
Ostrzejszy bat na kierowców. Piraci stracą prawo jazdy jeszcze łatwiej niż do tej pory. Prezydent podpisał zmiany
Ostrzejszy bat na kierowców. Piraci stracą prawo jazdy jeszcze łatwiej niż do tej pory. Prezydent podpisał zmiany
Wyższy limit prędkości. Prezydent podpisał. Docenią to mieszkańcy wsi
Wyższy limit prędkości. Prezydent podpisał. Docenią to mieszkańcy wsi
Kierowcy elektryków utrzymają przywileje. Karol Nawrocki podpisał ustawę. Jest nowa data końcowa
Kierowcy elektryków utrzymają przywileje. Karol Nawrocki podpisał ustawę. Jest nowa data końcowa
Zmiany w prawie z podpisem prezydenta. 17-latkowie za kierownicą. Jakie warunki trzeba spełnić?
Zmiany w prawie z podpisem prezydenta. 17-latkowie za kierownicą. Jakie warunki trzeba spełnić?
Jedno paliwo wciąż wyraźnie droższe, ale widać światełko w tunelu. Mamy nowe prognozy
Jedno paliwo wciąż wyraźnie droższe, ale widać światełko w tunelu. Mamy nowe prognozy
Nadciągająca fala tanich części z Chin zagraża niemieckiemu przemysłowi
Nadciągająca fala tanich części z Chin zagraża niemieckiemu przemysłowi
Jest decyzja. Obowiązkowe kaski dla młodych rowerzystów i użytkowników e-hulajnóg z podpisem prezydenta
Jest decyzja. Obowiązkowe kaski dla młodych rowerzystów i użytkowników e-hulajnóg z podpisem prezydenta
Pierwsza jazda prototypem: Cupra Raval VZ - hot hatch naszych czasów
Pierwsza jazda prototypem: Cupra Raval VZ - hot hatch naszych czasów
Polacy oszaleli na punkcie SUV-ów. Te modele wybierali w październiku
Polacy oszaleli na punkcie SUV-ów. Te modele wybierali w październiku
NIE WYCHODŹ JESZCZE! MAMY COŚ SPECJALNIE DLA CIEBIE 🎯